Szemes záróanya

► (M4-M12)
Premium

ASS Menetes záróanya szemmel

cikkszám névleges
méret
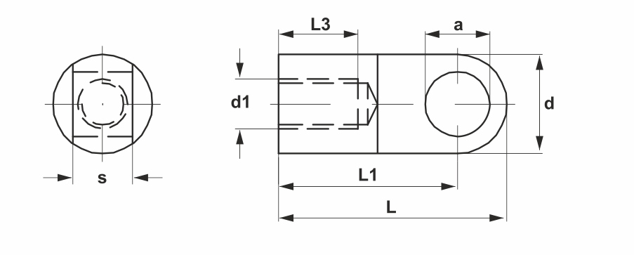
méretek (mm)
d L L1 L3 a s
351810004 M4 10 23 18 5 5,5 6
351810005 M5 10 23 18 5 6,5 6
351810006 M6 14 30 23 6 8,5 7
351810008 M8 16 33 25 8 9,5 9
351810010 M10 18 34 25 12 9,5 7
351810012 M12 20 36 25 15 9,5 7
A cikkszámokra kattintva a termék(ek) az ajánlatkérés menüben listázásra kerülnek.
H-1239 Budapest Grassalkovich út 214-216.
+36-1/286-0205
texem@texem.hu
H-4030 Debrecen, Rigó u. 64-66.
+36-52-523-870
texem@texem.hu
H-3529 Miskolc, Írisz u. 4.
+36-46-322-673
texem@texem.hu